产品展示
质量赢得尊重,诚信获得尊严
热忱欢迎社会各界朋友前来洽谈、合作。
当前位置:首页 > 产品展示
WBZG半桥周边传动刮泥机

工作原理
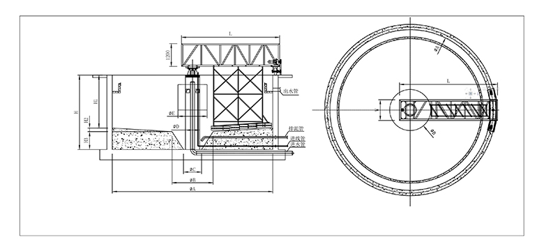
周边传动刮泥机由工作桥、刮臂及刮泥板组件、中心支座、驱动机构、集电器、电控箱等主件和出水三角堰板、稳流筒、挡渣板、浮渣刮板等组成。
工作桥由安装在周边的驱动机构带动,绕安装在池中心支墩上的中心支座旋转。悬挂在工作桥下的刮臂拖动对数螺旋线刮泥板旋转,沉淀在池底的污泥由刮泥板收集至中央集泥坑。液面上的浮渣在浮渣刮板和周边挡渣板形成的渐缩区域内集中,由浮渣刮耙扒到集渣斗,排出池外。
型号意义
应用领域
主要用于辐流式初沉,二沉池的排泥,也可用于浓缩池的排泥,是一种新型的刮泥机
● 工作桥采用桁架结构,简洁、美观、轻巧。
● 维护简单方便,运行费用低。
● 传动减速机多种选择:采用轴装式,结构简单紧凑,检修方便;采用摆线针轮减速机,价廉物美、传动效率高。
● 根据用户需要,行走轮轮面材料可以选用工程橡胶轮(标准配置)、钢轮、尼龙轮、聚氨酯轮。
● 高效率的对数螺旋线刮泥板,保证了刮集污泥的可靠性。
● 电气元件均采用户外型,安全可靠,可随机控制和远程控制。
● 设备可以按用户特定尺寸制造。与水接触的部件可以用不锈钢制作。
|
型号 modle |
池径(A) Capacity |
池周边深(H1) Depth |
周边线速度 Peripheral line velocity |
驱动功率 Driving |
导流筒∅E Draft tube |
池底坡度 Bottom slope |
| m | m | m/min | KW | m | % | |
| WBZG-3 | 3 | 3.0~4.0 | 2 | 0.55 | 0.8 | 5~8 |
| WBZG-4 | 4 | 3.0~4.0 | 2 | 0.55 | 1 | 5~8 |
| WBZG-5 | 5 | 3.0~4.0 | 2 | 0.55 | 1.2 | 5~8 |
| WBZG-6 | 6 | 3.0~4.0 | 2 | 0.55 | 1.4 | 5~8 |
| WBZG-7 | 7 | 3.0~4.0 | 1.8 | 0.75 | 1.4 | 5~8 |
| WBZG-8 | 8 | 3.0~4.0 | 1.8 | 0.75 | 1.5 | 5~8 |
| WBZG-10 | 10 | 3.0~4.0 | 1.8 | 1.1 | 1.5 | 5~8 |
| WBZG-12 | 12 | 3.0~4.0 | 1.8 | 1.1 | 1.5 | 5~8 |
| WBZG-14 | 14 | 3.0~4.0 | 1.8 | 1.1 | 1.5 | 5~8 |
| WBZG-16 | 16 | 3.0~4.0 | 1.8 | 1.5 | 1.8 | 5~8 |
| WBZG-18 | 18 | 3.0~4.0 | 1.8 | 1.5 | 2 | 5~8 |
| WBZG-20 | 20 | 3.0~4.0 | 1.8 | 1.5 | 2.2 | 5~8 |


